TNNFlange Type Reaction Torque Transducer (20kgf.cm~2000kgf.cm)


FEATURE










·  플랜지 타입의 비회전형 토크센서
·  컴팩트한 디자인이며 설치가 간편
·  고정된 기기 또는 0~90도 각도내에서 토크측정
·  제품 파단시험, 감속기, 각종 액츄에이터 토크측정





 

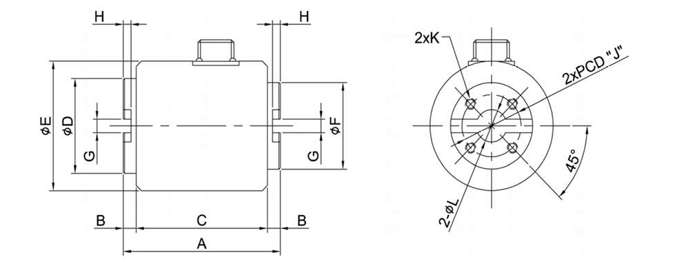
DIMENSION ( mm)


























 
  



 
Rated CapacityABCΦDΦEΦFGHJΦKL
20, 50, 100kgf·cm5444626382342.516.54-M3 TAP DP 78
 200, 500kgf.cm6155135483253234-M4 TAP DP 1012
1000, 2000kgf·cm7065845584263.5404-M5 TAP DP 1015