TFSFlange Shaft Type Reaction Torque Transducer (50kgf.cm~2000kgf.cm)


FEATURE










·  플랜지 & 샤프트 타입의 비회전형 토크센서
·  컴팩트한 디자인이며 설치가 간편
·  고정된 기기 또는 0~90도 각도내에서 토크측정
·  제품 파단시험, 감속기, 각종 액츄에이터 토크측정







 

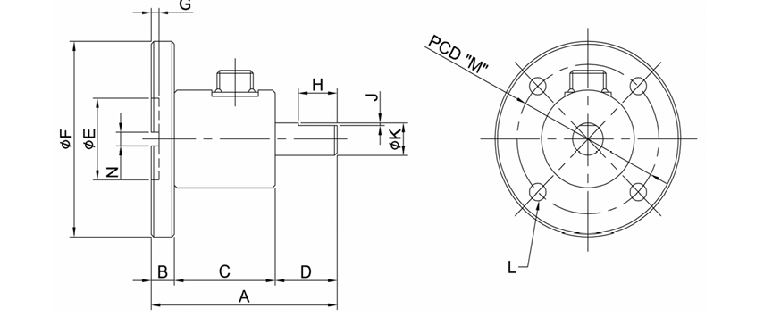
DIMENSION ( mm)






























 
  





 
Rated CapacityABCDΦEΦFGHJΦKMNL
50kgf·cm729392430723151125554-Φ6.5
 100kgf.cm729392430723156×6185554-Φ6.5
200, 500 kgf·cm8312432840883.5158×7247064-Φ6.5
1000, 2000kgf·cm90124632509542210×8327684-Φ9