TFCFlange Type Reaction Torque Transducer (50kgf.cm~1000kgf.cm)


FEATURE










·  플랜지 타입의 비회전형 토크센서
·  컴팩트한 디자인이며 설치가 간편
·  고정된 기기 또는 0~90도 각도내에서 토크측정
·  제품 파단시험, 감속기, 각종 액츄에이터 토크측정




 

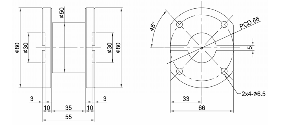
DIMENSION ( mm)