TRFFFlange Type Rotary Torque Transducer (20kgf.m)


FEATURE













· 플랜지 타입의 회전식 토크센서

· 회전 하는 기기의 정적 및 동적 토크 측정

· 자동차 부품 생산라인, 교반기, 볼트 체결력치 교정에 사용





 



 

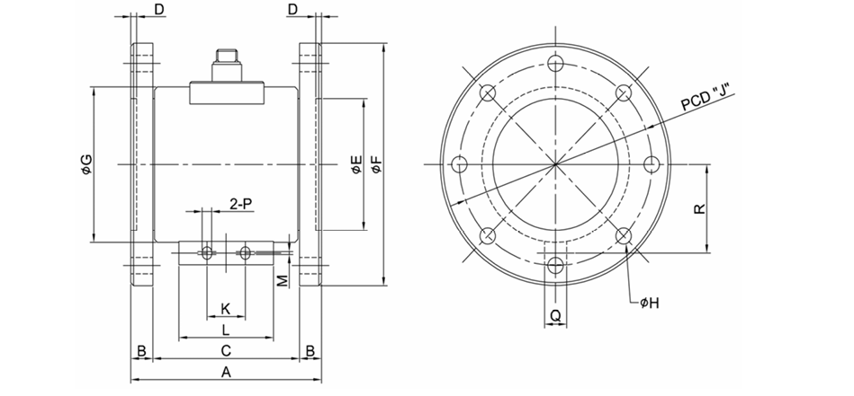
DIMENSION ( mm)


































 
  





  
Rated CapacityABCDΦEΦFΦGΦHJKLMPQR
20kgf·m1291599465128856-Φ6.6105266426.51249.5