TRFFlange Type Rotary Torque Transducer (5kgf.m~20kgf.m)


FEATURE
















· 플랜지 타입의 회전식 토크센서


· 회전 장비의 정적 및 동적 토크 측정


· 자동차 부품 생산라인의 토크측정, 교반기, 볼트 체결력치 교정에 사용







 

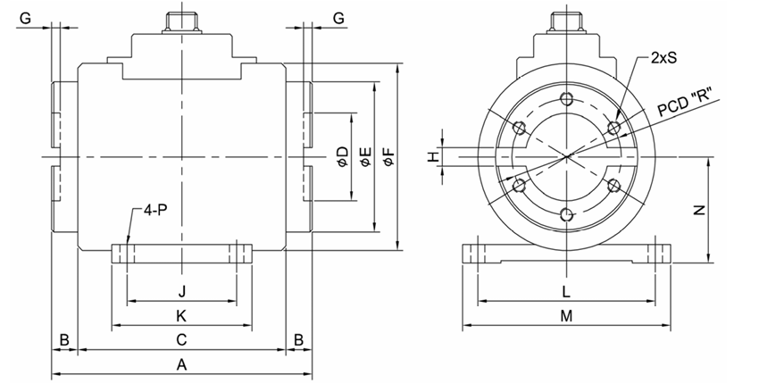
DIMENSION ( mm)


































 
  





  
Rated CapacityABCΦDΦEΦFGHJKLMΦPΦRS
 5, 10, 20kgf·m11912953865812.58506481956.5506 -M6 DP15