TCRShaft Type Rotary Torque Transducer (1kgf.m~500kgf.m)


FEATURE
















· 샤프트 타입의 회전형 접촉식 토크센서 


· 회전하는 기기의 정적,동적 토크측정 및 RPM(옵션) 측정
· 모터 부하테스트, 볼트 체결력, 감속기, 자동차 부품등의 토크측정
· 고용량 주문제작 가능 : 1000kg'f.m, 2000kgf.m, 3000kgf.m





 

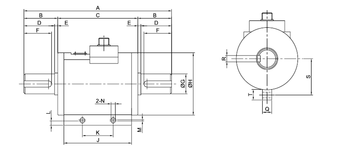
DIMENSION ( mm)








































 
  











Rated CapacityABCDEFGHJKLMNQRTSR.P.M
1, 2, 5,kgf.m2034311738535188410150727155×51750.44500
10, 20kgf.m240551305054532100110507271510×81758.54000
50, 100kgf.m340951509058547118130608291712×82069.53000
200, 300kgf.m36010614810069563131128608291718×1120762900
500kgf.m43012518011510105731601507011310.52020×1225922000