Loop-Powered AC Current Transmitter

CR4200 시리즈 전류 트랜스미터
입력되는 AC 전류의 평균 RMS 값에 비례한 4–20 mA DC의 교정된 신호를 출력합니다.

이 시리즈는 여러 지점을 동시에 전류 감시하는 멀티포인트(current sensing) 용도로 설계되었으며,
가격 대비 뛰어난 성능과 기능을 제공합니다.

출력 신호는 사용자가 제공하는 24 VDC 전원을 출력 전류 루프 내에서 사용하여 생성됩니다.


제품 사양


PART NUMBERS


결선도

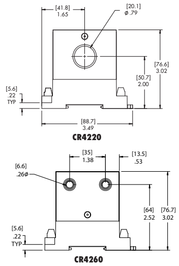
도면