MODEL : CMNS

압축형 로드셀(50kgf ~ 3tf)

- 압축 적용 미니어처 타입 / 보호 등급 IP67
- 설치가 협소한 곳에 사용
- 시험 장비, 반도체 장비 등에 사용


제품사양 

CMNS SERIES
정격용량 (R.C.)50,100,200,500 kgf ,1,2,3 tf
정격출력 (R.O.)1.0±0.1mV/V
비직진성0.5% of R.O.
크리이프0.5% of R.O.
반복성0.1% of R.O.
영점발란스0.0± 0.1mV/V
입력저항400 ±20Ω
출력저항350 ±3.5Ω
절연저항>2000㏁@50V DC
온도보상범위-10~40℃
허용온도범위-20~80℃
영점의 온도영향0.028% of R.O./10℃
출력의 온도영향0.015% of R.O./10℃
인가전압10-15V
재질스테인레스 스틸
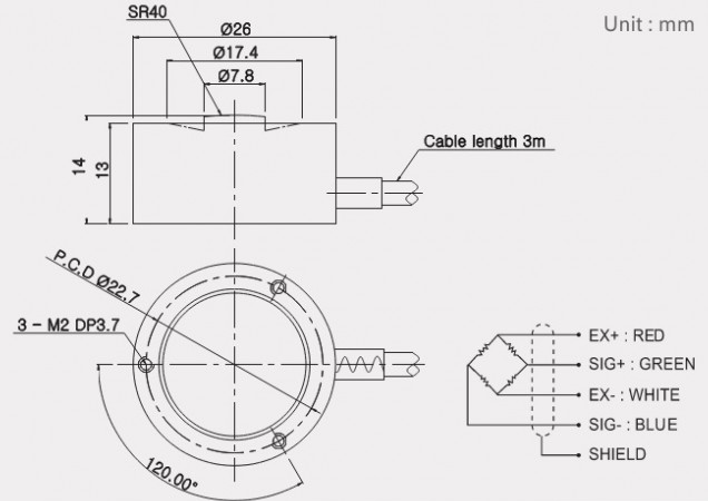
케이블길이Braided shield 4-wire round cable with PVC-jaket, 3m 


도면


*제품의 사양은 성능개선을 위해 예고없이 변경될 수 있습니다.