MODEL : UMI , 100gf~5kgf
인장 압축형 로드셀(5kgf)

- 고정밀도의 인장 압축 로드셀
- 계량시스템,압입하중 관리용이나 정밀한 하중시험기에 적합
- 100gf~5kgf 미량 로드셀



제품사양

UMI,100gf~5kgf
정격용량 (R.C.)100gf, 200gf, 500gf, 1kgf, 2kgf, 5kgf
정격출력 (R.O.)2mV/V±1% (100gf~5kgf=1mV/V)
비직진성0.03% of R.O.
히스테리시스0.03% of R.O.
반복성0.03% of R.O.
영점발란스±2% of R.O.
입력저항350Ω±1%
출력저항
절연저항2000㏁
온도보상범위-10~50℃
허용온도범위-20~80℃
영점의 온도영향0.05% of R.O./10℃
출력의 온도영향0.1% of LOAD/10℃
인가전압5V
허용과부하120% R.C.
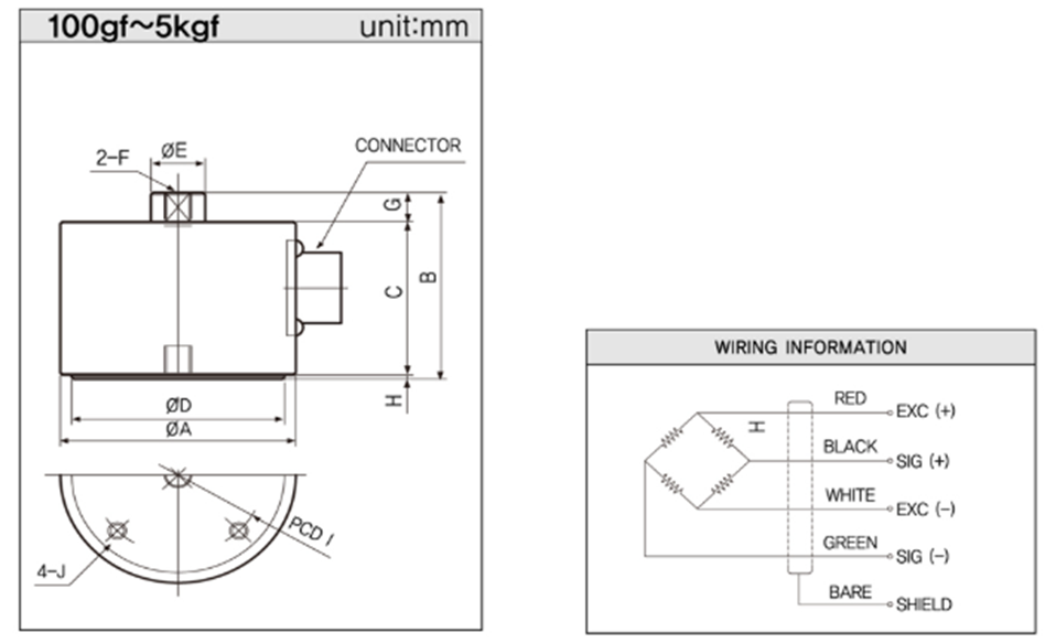
케이블길이Φ5 ±0.5 ,4core, 3m





DIMENSIONS TABLE

CapacityΦABCΦDΦEFGHIJWeight(kg)
100gf (0.980N)5245374710.5M4×0.7 DP871384-M4 DP60.5
200gf (1.961N)5245374710.5M4×0.7 DP871384-M4 DP6
500gf (4.903N)5245374710.5M4×0.7 DP871384-M4 DP6
1kgf (9.807N)5245374712M6×1.0 DP871384-M4 DP6
2kgf (19.61N)5245374712M6×1.0 DP871384-M4 DP6
5kgf (49.03N)5245374712M6×1.0 DP871384-M4 DP6





도면

*제품의 사양은 성능개선을 위해 예고없이 변경될 수 있습니다.