MODEL : CM

 소형 압축형 로드셀(50kgf~20tf)

- 소형 압축형 로드셀로 설치가 간편
- 콤팩트한 사이즈로 폭넓은 시험 및 계량시스템에 적합
- 고강도 합금강 사용하고 표면은 무전해 니켈도금


 

제품사양 

CM
정격용량 (R.C.)50kgf, 100kgf, 200kgf, 500kgf, 1tf, 2tf, 3tf, 5tf, 10tf,20tf
(490.3N, 980.7N, 1.961kN, 4.903kN, 9.807kN, 19.61kN, 29.42kN, 49.03kN, 98.07kN,196.1kN)
정격출력 (R.O.)2mV/V±0.4%
비직진성0.15% of R.O.
히스테리시스0.1% of R.O.
반복성0.1% of R.O.
영점발란스±2% of R.O.
입력저항350 ±50Ω
출력저항350 ±2Ω
절연저항2000㏁
온도보상범위-10~70℃
허용온도범위-10~80℃
영점의 온도영향0.05% of R.O./10℃
출력의 온도영향0.1% of R.O./10℃
인가전압10V
허용과부하150% R.C.
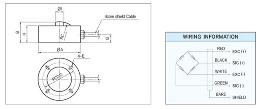
케이블길이50Kgf~2tf : Φ5mm 4core, 3m 
3tf~10tf : Φ7mm 4core, 3m



DIMENSIONS TABLE

치수 사항 표
Capacity
ΦA
B
C
D
E
G
H
ΦI
Weight (kg)
50kgf ~ 2tf
51
26
R50
42
M5 x 0.8DP6
10.5
22
10
0.4
(490kN~19.61kN)
3tf(29.42kN), 5tf
88
42
R150
72
M6 x 1DP10
17
37
18
2
(49.03kN)
10tf
88
47
R150
72
M6 x 1DP10
17
42
18
2
(98.07kN)
20tf
118
50
R150
90
M8 x 1.25DP10
17
45
20
2.5
(196.1kN)




도면

*제품의 사양은 성능개선을 위해 예고없이 변경될 수 있습니다.