MODEL : CMM2

 초소형 압축로드셀(500kgf~1tf)

- 초소형 압축로드셀로 협소한 공간의 각종 계측장치에 적용
- 스테인레스강 사용(17-4PH)
- 설치조건에 따라 다양한 제품을 주문제작합니다.


 

제품사양 

CMM2
정격용량 (R.C.)1tf, 2tf, 3tf, 1kgf, 2kgf, 5kgf, 10kgf, 20kgf, 50kgf
100kgf, 200kgf, 300kgf, 500kgf
정격출력 (R.O.)0.7mV/V to 1.2mV/V
비직진성≤1.0% R.O. (1tf~3tf :  ≤1.5% R.O.)
히스테리시스≤1.0% R.O. (1tf~3tf : ≤1.5% R.O.)
반복성1.0% R.O.
영점발란스±5% of R.O.
입력저항350Ω ±10%
출력저항350Ω ±5%
절연저항2000㏁
인가전압5V DC
허용과부하150% R.C.
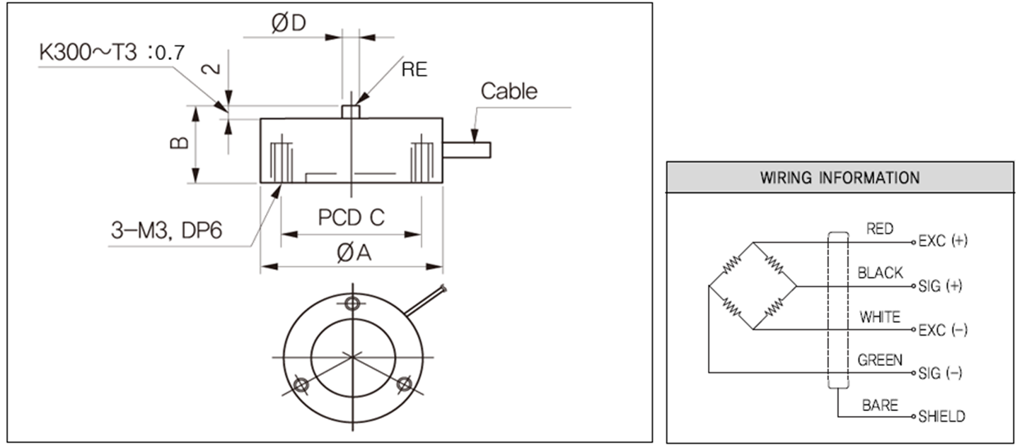
케이블길이Φ3 4core cable, 3m



DIMENSIONS TABLE

CapacityΦABPCD CØDR EWeight  (kg)
1kgf (9.807N)2112172.550.3
2kgf (19.61N)2112172.5
5kgf (49.03N)2112172.5
10kgf (98.07N)2612212.5
20kgf (196.1N)2612212.5
50kgf (490.3N)2612212.5
100kgf (980.7N)2612212.5
200kgf (1.961KN)2612212.5
300kgf (2.942KN)261421430
500kgf (4.903KN)2614214
1tf (9.807KN)2614214
2tf (19.61KN)2614214
3tf (29.42KN)261421840



도면

*제품의 사양은 성능개선을 위해 예고없이 변경될 수 있습니다.