MODEL : CMM

 초소형 압축로드셀(500kgf~1tf)

- 초소형 압축로드셀로 협소한 공간의 각종 계측장치에 적용
- 스테인레스강 사용(17-4PH)
- 설치조건에 따라 다양한 제품을 주문제작합니다.


 

제품사양 

CMM
정격용량 (R.C.)1tf, 2tf, 3tf, 1kgf, 2kgf, 5kgf, 10kgf, 20kgf
50kgf, 100kgf ,300kgf, 500kgf
정격출력 (R.O.)0.7mV/V to 1.2mV/V
비직진성≤1.0% R.O. (1tf~3tf :  ≤1.5% R.O.)
히스테리시스≤1.0% R.O. (1tf~3tf : ≤1.5% R.O.)
반복성1.0% R.O.
영점발란스±5% of R.O.
입력저항350Ω ±10%
출력저항350Ω ±5%
절연저항2000㏁
인가전압5V DC
허용과부하150% R.C.
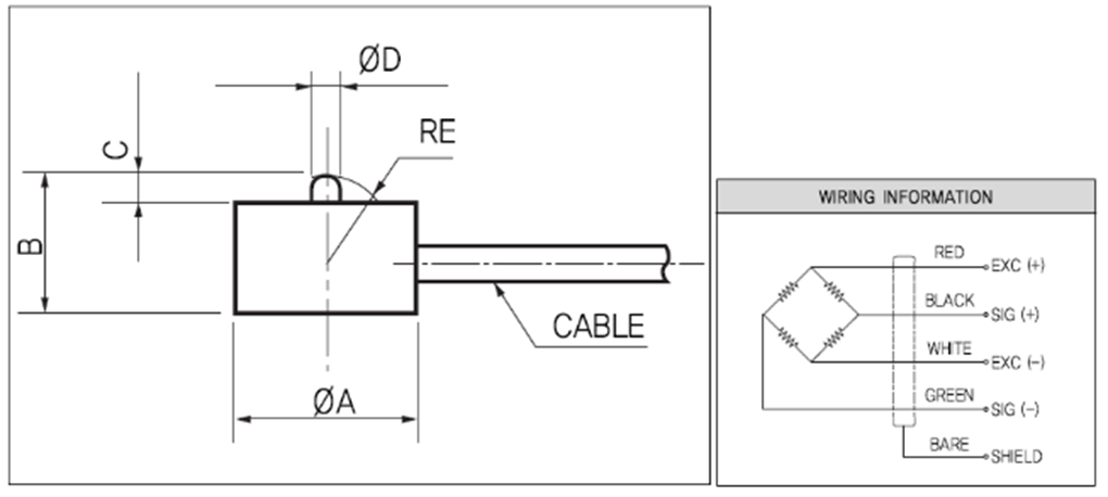
케이블길이Φ3 4core cable, 3m




DIMENSIONS TABLE

Capacity
A
B
C
ØD
R E
Weight  (kg)
1kgf (9.807N)
16
12
2
2.5
5
0.2
2kgf (19.61N)
16
12
2
2.5
5kgf (49.03N)
16
12
2
2.5
10kgf (98.07N)
20
11.5
2
2.5
20kgf (196.1N)
20
11.5
2
2.5
50kgf (490.3N)
20
11.5
2
2.5
100kgf (980.7N)
20
11.5
2
2.5
200kgf (1.961KN)
20
11.5
2
2.5
300kgf (2.942KN)
20
14
0.7
4
30
0.3
500kgf (4.903KN)
20
14
0.7
4
1tf (9.807KN)
20
14
0.7
4
2tf (19.61KN)
20
14
0.7
8
40
3tf (29.42KN)
20
14
0.7
8



도면

*제품의 사양은 성능개선을 위해 예고없이 변경될 수 있습니다.