MODEL : CWW

 압축로드셀(50kgf~200tf)

- Center Hole type 압축 로드셀로 슬림형으로 설치가 간편
- 터널, 교량 등의 압력측정용으로 사용
- 견고한 구조, 고강도 합금강 사용


 

제품사양

CWW
정격용량 (R.C.)50kgf ~ 500kgf (490.3N ~ 4.903kN)
 1tf ~ 200tf (9.807kN ~1.961MN)
정격출력 (R.O.)1.5mV/V ± 0.4%
비직진성1% of R.O.
반복성0.5% of R.O.
영점발란스0.5% of R.O.
입력저항700 ±10Ω
출력저항700 ±5Ω
절연저항2000㏁
온도보상범위-10~60℃
허용온도범위-20~80℃
영점의 온도영향0.1% of R.O./10℃
출력의 온도영향0.05% LOAD/10℃
인가전압10V
허용과부하150% R.C.
케이블길이50kgf~5tf - Φ5㎜, 4core, 3m
10tf~200tf - Φ7㎜, 4core, 3m



 

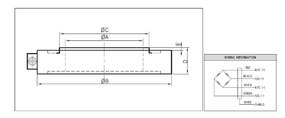
DIMENSIONS TABLE

CapacityΦAΦBΦCDEWeight (kg)
50kgf (490.3N)1055221520.5
100kgf (980.7N)105522152
200kgf (1.961kN)105522152
500kgf (4.903kN)105522152
1tf (9.807kN)126828201.50.7
2tf (19.61kN)126828201.5
3tf (29.42kN)126828201.5
5tf (49.03kN)126828201.5
10tf (98.07kN)50148803753
20tf (196.1kN)70155994356
30tf (294.2kN)7015599435
50tf (490.3kN)7015599435
100tf (980.7kN)1101981294358
150tf (1.471MN)16527820050820
200tf (1.961MN)170308212651027




도면

*제품의 사양은 성능개선을 위해 예고없이 변경될 수 있습니다.