MODEL : XJC-B58
각형 로드셀(30T)

- 2차 전지 설비 공정에 활용
- 0~30T 범위의 힘 측정
- Roll to Roll 방비 하중 테스트 활용
- 큰 면적 하중 측정에 용이




제품사양

 

XJC-X-B58 SERIES
정격 용량30t재질합금강
비선형성0.2% F.S.정격 출력1.5±10%mV/V
작동 전압5 - 10VDC최대 작동 전압10 VDC
보호 등급IP66보상 온도 범위-10~40℃
히스테라시스0.2%F.S.작동 온도 번위- 20~ 80℃
반복성0.2%F.S.절연 저항≥ 5000MΩ/100VDC
입력 임피던스 출력 임피던스 
CREEP(30분)0.2%F.S.출력에 대한 온도 영향0.2% F.S./10℃
영점 출력±2%F.S.온도가 제로에 미치는 영향0.2% F.S./10℃
허용 과부하150%  
케이블 사이즈Φ4x4m수명풀스케일 100만회 이상
케이블 연결Ex+: 빨강 , Ex-: 검정 , Sig+: 녹색 , Sig-: 백색





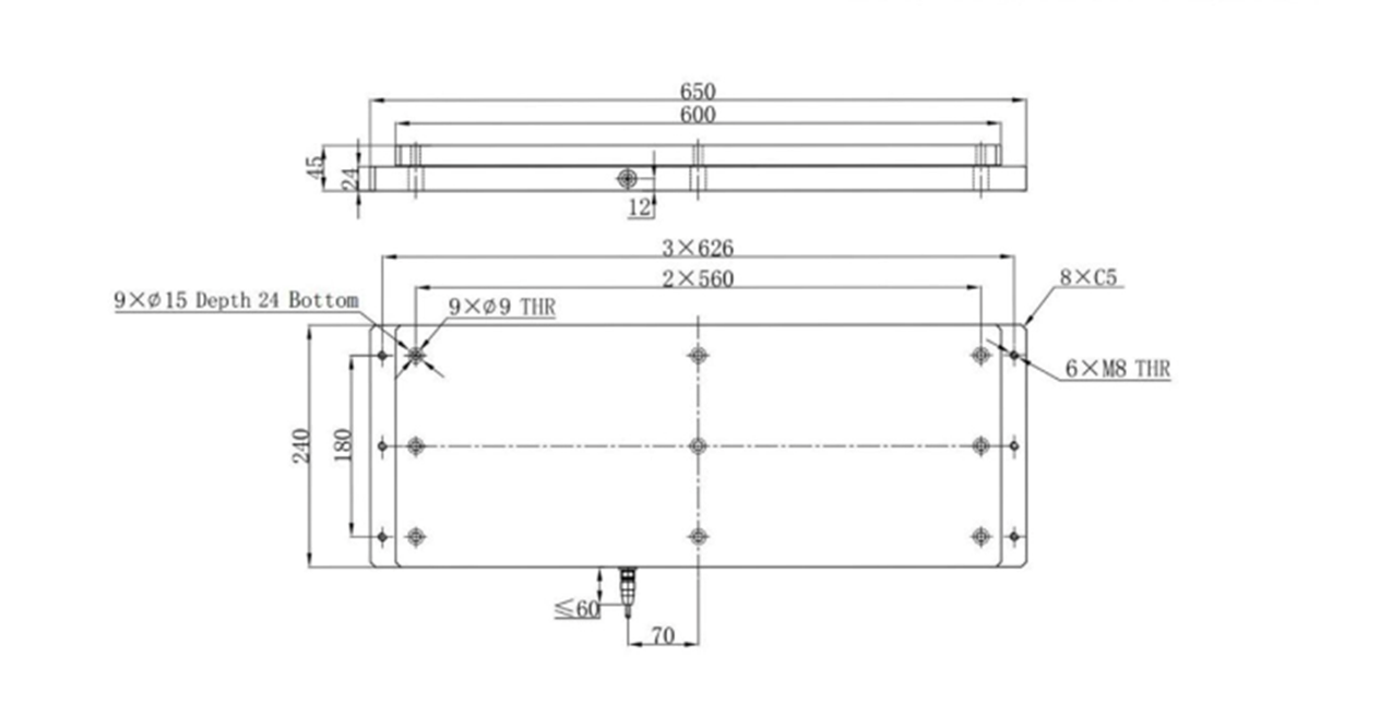
하중방향





도면