MODEL : XJC-X-BW23
각형 로드셀(1000kg)

- 고정밀  스트레인 게이지 원리
- 0~1000kg 범위의 힘 측정
- 오일 , 습기 ,부식에 강함
- 높은 정밀도와 높은 안정성




제품사양

 

XJC-X-BW23 SERIES
정격 용량5kg,10kg,20kg,50kg,100kg,200kg,300kg,500kg,1000kg
비선형성0.03% F.S.정격 출력2.0±0.004 mV/V
작동 전압5-10VDC최대 작동 전압10 VDC
보호 등급IP67보상 온도 범위-10~40℃
히스테라시스0.03%F.S.작동 온도 번위-20~80℃
반복성0.03%F.S.절연 저항≥ 5000MΩ/100VDC
입력 임피던스400±50Ω출력 임피던스350±10Ω
CREEP(30분)0.03%F.S.출력에 대한 온도 영향0.03% F.S./10℃
영점 출력±2%F.S.온도가 제로에 미치는 영향0.03% F.S./10℃
허용 과부하150%최대 하중 한계200%
케이블 사이즈Φ5x3m수명풀스케일 100만회 이상
케이블 연결Ex+: 빨강 , Ex-: 검정 , Sig+: 녹색 , Sig-: 백색




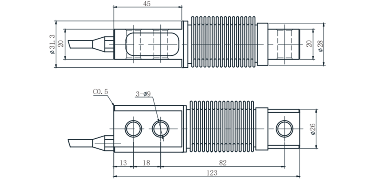
하중방향





도면