MODEL : XJC-TS26-Q
각형 로드셀(5T)

- 고정밀  스트레인 게이지 원리
- 0~5T 범위의 힘 측정
- 설치 및 사용이 편리
- 높은 정밀도와 높은 안정성



제품사양    

XJC-TS26-Q SERIES
정격 용량2t,3t,5t재질합금강
비선형성0.1% F.S.정격 출력1.0~0.03 mV/V
작동 전압5VDC최대 작동 전압10 VDC
보호 등급IP54보상 온도 범위-10~40℃
히스테라시스0.1%F.S.작동 온도 번위-20~80℃
반복성0.1%F.S.절연 저항≥ 5000MΩ/50VDC
CREEP(30분)0.05%F.S.출력에 대한 온도 영향0.5% F.S./10℃
영점 출력±0.02%F.S.온도가 제로에 미치는 영향0.5% F.S./10℃
허용 과부하200%최대 하중 한계300%
케이블 사이즈Φ5x4m수명풀스케일 100만회 이상
케이블 연결Ex+: 빨강 , Ex-: 검정 , Sig+: 녹색 , Sig-: 백색




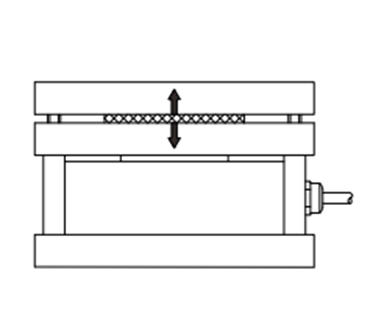
하중방향




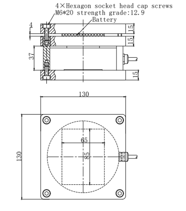
도면