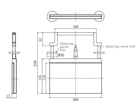
MODEL : XJC-TS08-L200-W135-H17
각형 로드셀(5T)

- 고정밀  스트레인 게이지 원리
- 0~5T 범위의 힘 측정
-균일하지 않은 하중 환경에서도 안정적인 측정 유지
- 간편한 설치 구조



제품사양   

XJC-TS08-L200-W135-H17 SERIES
정격 용량5t재질스틸합금/알루미늄 합금
비선형성0.1% F.S.정격 출력2.0 ± 10% mV/V
작동 전압5VDC최대 작동 전압10 VDC
보호 등급IP64보상 온도 범위-10~40℃
히스테라시스0.1%F.S.작동 온도 번위-20~100℃
반복성0.1%F.S.절연 저항≥ 5000MΩ/100VDC
CREEP(30분)0.1%F.S.출력에 대한 온도 영향0.2% F.S./10℃
영점 출력±2%F.S.온도가 제로에 미치는 영향0.2% F.S./10℃
허용 과부하150%최대 하중 한계200%
케이블 사이즈Φ4x4m수명풀스케일 100만회 이상
케이블 연결Ex+: 빨강 , Ex-: 검정 , Sig+: 녹색 , Sig-: 백색




하중방향




도면