MODEL : XJC-Z-FS
압축 & 인장 로드셀(0~5t)

- 고정밀  스트레인 게이지 원리
- 0~5T 범위의 힘 측정
-스트레인 재질


제품사양 

XJC-Z-FS SERIES
정격 용량0 - 5T재질스테인리스 스틸
비선형성0.5% F.S.정격 출력2.0-10%mV/V
작동 전압5 - 10VDC최대 작동 전압15 VDC
보호 등급IP66보상 온도 범위-10~40℃
히스테라시스0.5%F.S.작동 온도 번위- 20~ 80℃
반복성0.05%F.S.절연 저항≥ 5000MΩ/100VDC
입력 임피던스3500±5Ω출력 임피던스350±5Ω
CREEP(30분)0.05%F.S.출력에 대한 온도 영향0.05% F.S./10℃
영점 출력±2%F.S.온도가 제로에 미치는 영향0.2% F.S./10℃
허용 과부하150%  
케이블 사이즈Φ5x3m수명풀스케일 100만회 이상
케이블 연결Ex+: 빨강 , Ex-: 검정 , Sig+: 녹색 , Sig-: 백색



하중방향


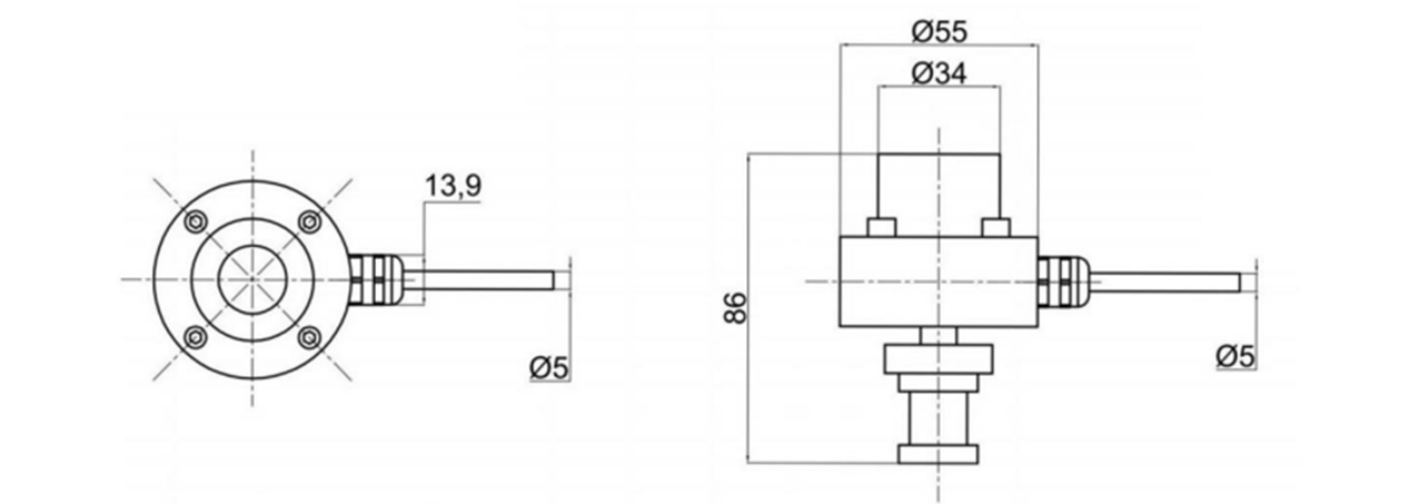
도면