MODEL : XJC-X-CS-U3
압축 로드셀(0.05t~10t)

- 고정밀 저항 스트레인 게이지 원리
- 0~10t 범위의 힘 측정
- 고품질 스테인리스 소재 사용
- 설치 및 사용이 편리
- 높은 응답 주파수


 

제품사양 

XJC-CS-U3 SERIES
정격 용량0.05t,0.1t,0.2t,0.5t,1t,2t,5t,10t재질스테인리스 스틸
비선형성0.1% F.S.정격 출력1.0±10%mV/V
작동 전압5 - 10VDC최대 작동 전압10 VDC
보호 등급IP66보상 온도 범위-10~40℃
히스테라시스0.1%F.S.작동 온도 번위- 20~ 80℃
반복성0.1%F.S.절연 저항≥ 5000MΩ/100VDC
입력 임피던스380±30Ω(750±50Ω)출력 임피던스350±5Ω(700±10Ω)
CREEP(30분)0.1%F.S.출력에 대한 온도 영향0.05% F.S./10℃
영점 출력±2%F.S.온도가 제로에 미치는 영향0.05% F.S./10℃
허용 과부하150%최대 하중 한계200%
케이블 사이즈Φ3x4m수명풀스케일 100만회 이상
케이블 연결Ex+: 빨강 , Ex-: 검정 , Sig+: 녹색 , Sig-: 백색



하중방향



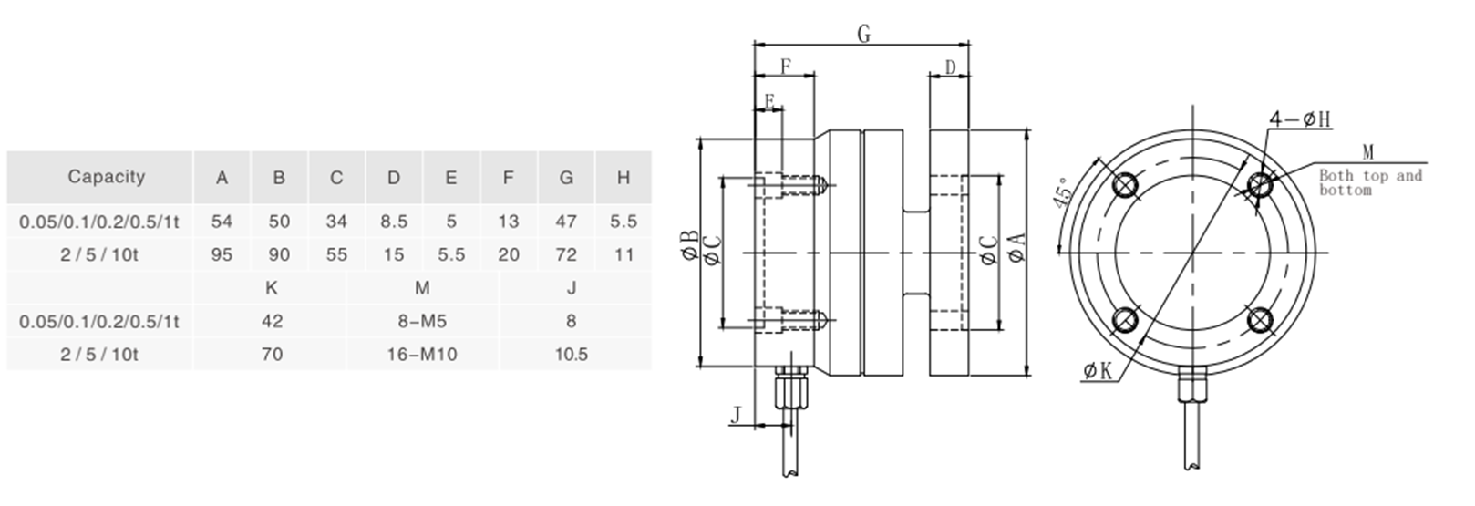
도면