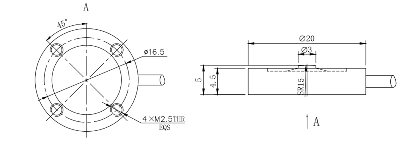
MODEL : X-C01-20-H5 
소형 로드셀(5kg~100kg)

- 고정밀 저항 스트레인 게이지 원리
- 0~100kg 범위의 힘 측정
- 고품질 스테인리스 소재 사용
- 컴팩트 사이즈로 설치 및 사용이 편리
- 높은 응답 주파수


제품사양 

X-C01-20-H5 SERIES
정격 용량5kg,10kg,20kg,50kg,100kg재질스테인리스 스틸
비선형성0.5% F.S.정격 출력0.5~1.0mV/V
작동 전압5 VDC최대 작동 전압10 VDC
보호 등급IP64보상 온도 범위-10~40℃
히스테라시스0.5%F.S.작동 온도 번위- 20~ 80℃
반복성0.5%F.S.절연 저항≥ 5000MΩ/100VDC
입력 임피던스350±10Ω (1000±100Ω)출력 임피던스350±10Ω (1000±100Ω)
CREEP(30분)0.1%F.S.출력에 대한 온도 영향0.2% F.S./10℃
영점 출력±2%F.S.온도가 제로에 미치는 영향0.2% F.S./10℃
허용 과부하150%최대 하중 한계200%
케이블 사이즈Φ2x4m수명풀스케일 100만회 이상
케이블 연결Ex+: 빨강 , Ex-: 검정 , Sig+: 녹색 , Sig-: 백색



하중방향


도면