Model OBUH/OBUHS Series
싱글포인트 로드셀(5kg~100kg)

싱글포인트형 고정밀도 로드셀입니다.
우수한 특성으로 각종 상업용 , 산업용 저울 및 계량장치에 폭넓게 사용됩니다.

-1/5000 이상의 고정밀도
-OBUH : 고강도 알루미늄
-OBUHS :  고강도 스레인레스강


제품사양 

모델OBUHOBUHS
정격용량 (R.C.)5, 7, 10, 15,30, 50, 100kg15, 30, 50, 100kg
정격출력 (R.O.)2.0mV/V ± 10%
비직선성≤0.02% R.O.
히스테리시스≤0.02% R.O.
반복성≤0.02% R.O.
크리이프≤0.03% in 20min.
제로발란스≤5% R.O.
온도보상범위-10 ~ 70°C
허용온도범위-20 ~ 80°C
출력의 온도영향≤0.012% LOAD/10°C
영점의 온도영향≤0.04% R.O./10°C
입력간저항410 Ohms ±25 Ohms
출력간저항350 Ohms ±5 Ohms
절연저항2000 MOhms at 50V DC
인가전압3~12V(Recommended), 15V(Maximum)
연결케이블Ø5mmx1.5m(22AWG x 4Core Shielded)
보호등급meets IP 65
허용과부하150% R.C
극한과부하300% R.C

 

용량계량판의 크기 (최대)
5 ~ 30kg ( 49.03N ~294.2N)300 x 300 mm 
50 ~ 100kg ( 490.3N ~980.7N)400 x 400 mm

  

형식명

형식명      
OBUH
-30

 
-모델
-용량
 
OBUH : 고강도 알루미늄
5, 7, 10, 15, 30, 50, 100kg
OBUHS : 고강도 스테인레스강 15, 30, 50, 100kg 

 

결선도


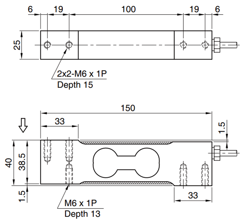
도면